• 网站首页
  • 关于我们
    • 关于我们
    • 公司荣誉
    • 公司环境
  • 产品中心
    • 伺服产品简介
    • 0.04-2kW系列直线舵机
    • 0.04-2kW系列旋转舵机
    • 电静液(EHA)舵机系列产品
    • 舵机、舵控一体化系列产品
    • 固体火箭伺服系统
    • 液体火箭伺服系统
    • 0.2-5kW系列伺服系统
  • 新闻中心
    • 公司新闻
    • 行业新闻
  • 人才招聘
  • 联系我们
4001682861
大图一
大图二
大图三
大图一
大图二
大图三
产品中心
PRODUCT CENTER
  • 伺服产品简介
  • 0.04-2kW系列直线舵机
  • 0.04-2kW系列旋转舵机
  • 电静液(EHA)舵机系列产品
  • 舵机、舵控一体化系列产品
  • 固体火箭伺服系统
  • 液体火箭伺服系统
  • 0.2-5kW系列伺服系统
产品中心
您当前得位置:首页 > 产品中心 > 固体火箭伺服系统
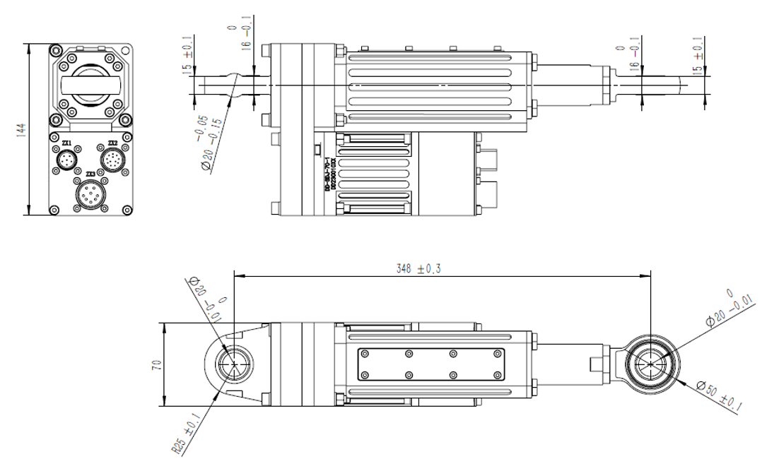
3kW伺服机构
3kW伺服机构
4001682861
  • 产品介绍
  • 技术参数

技术指标  Specifications

行程

±50

mm

负载力

≥33

kN

速度

≥85

mm/s

刚度

≥5×107

N/m

带宽

≥8

Hz

电压体系

270

V

通讯

RS422

--

单台作动器重量

7

kg

单台控制器重量

4.5

kg


技术指标  Specifications

行程

±50

mm

负载力

≥33

kN

速度

≥85

mm/s

刚度

≥5×107

N/m

带宽

≥8

Hz

电压体系

270

V

通讯

RS422

--

单台作动器重量

7

kg

单台控制器重量

4.5

kg

IMG_1582.jpeg

电话:4001682861

邮箱:aerospaceservo@163.com

地址:北京市经济技术开发区科创十四街嘉捷BDA 6号楼2单元

关于我们
关于我们
公司荣誉
公司环境
产品中心
伺服产品简介
0.04-2kW系列直线舵机
0.04-2kW系列旋转舵机
电静液(EHA)舵机系列产品
舵机、舵控一体化系列产品
固体火箭伺服系统
液体火箭伺服系统
0.2-5kW系列伺服系统
新闻中心
公司新闻
行业新闻
人才招聘
人才招聘
Copyright 2026 北京航宇伺服科技有限公司 All Rights Reserved. 京ICP备2024076161号-1
  • 电话

    4001682861
    取消
  • 微信

    关注我们

    关注我们

    扫一扫,详细了解产品业务。

  • 产品

  • 首页

  • 电话

    咨询热线:

    4001682861
  • 微信

    关注我们

    关注我们